Сравнение товаров
Код товара: 0C1504118213
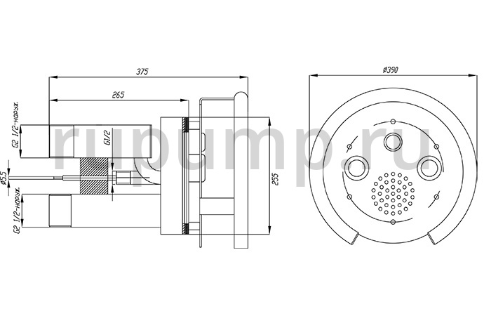
Артикул
ПТ.75.1
2322400000
Диаметр форсунки
40
Количество фаз
1
Макс. массажное давление
1.4
Материал насоса
ABS-пластик
Общее кол-во форсунок
2
1
Подсветка
LED белый
Потребляемая мощность
2.89
Производитель
Xenozone (Россия)
Speck (Германия)
Производительность
75
54
Скорость потока на расст. 2 м от сопла
1.1
Угол регулировки форсунок
60


Расчет оборудования
